咨詢熱線
13829170860




13829170860
|
型號 Modle |
驅(qū)動電壓 Diver Voltage (DC V) |
NO LOAD(零負載) |
Rated load(額定負載) |
Stall(間隔/停止轉(zhuǎn)動) |
重量 Height(g) |
||||||
|
Speed(轉(zhuǎn)速) |
Current(電流) |
Torque 轉(zhuǎn)矩 |
Speed轉(zhuǎn)速 |
Current(電流) |
Torque 轉(zhuǎn)矩 |
Current(電流) |
|||||
|
r/min |
A |
g-cm |
mN-m |
r/min |
A |
g-cm |
mN-m |
A |
|||
|
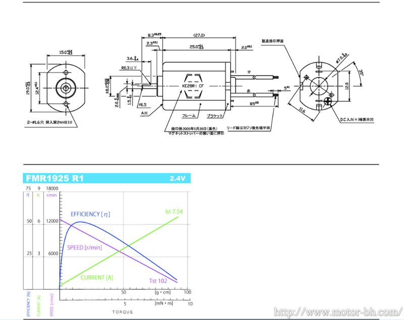
BHFMF1925-01 |
2.4 |
12900 |
0.28 |
15 |
1.47 |
11000 |
1.35 |
102 |
9.9 |
7.54 |
|