咨詢熱線
13829170860




13829170860
|
型號 Modle |
驅(qū)動電壓Diver Voltage (DC V) |
NO LOAD(零負載) |
Rated load(額定負載) |
Stall(間隔/停止轉(zhuǎn)動) |
重量 Height(g) |
||||||
|
Speed(轉(zhuǎn)速) |
Current(電流) |
Torque 轉(zhuǎn)矩 |
Speed轉(zhuǎn)速 |
Current(電流) |
Torque 轉(zhuǎn)矩 |
Current(電流) |
|||||
|
r/min |
A |
g-cm |
mN-m |
r/min |
A |
g-cm |
mN-m |
A |
|||
|
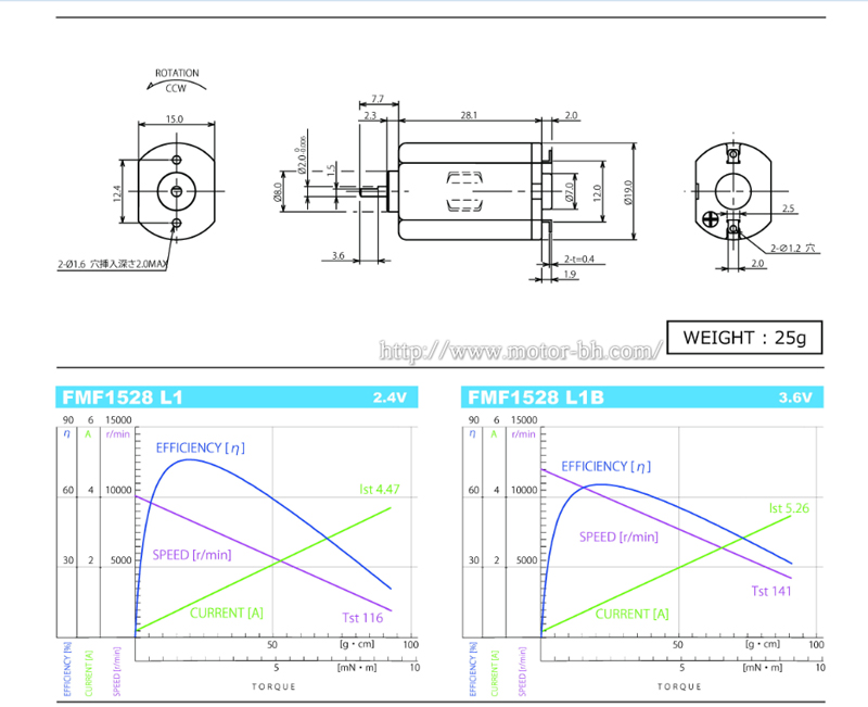
BHFMF1528-01 |
2.4 |
10100 |
0.2 |
15 |
1.47 |
8800 |
0.75 |
116 |
11.4 |
4.47 |
25 |
|
BHFMF1528-02 |
3.6 |
12000 |
0.18 |
20 |
1.96 |
10300 |
0.9 |
141 |
13.8 |
5.26 |
|