咨詢熱線
13829170860




13829170860
|
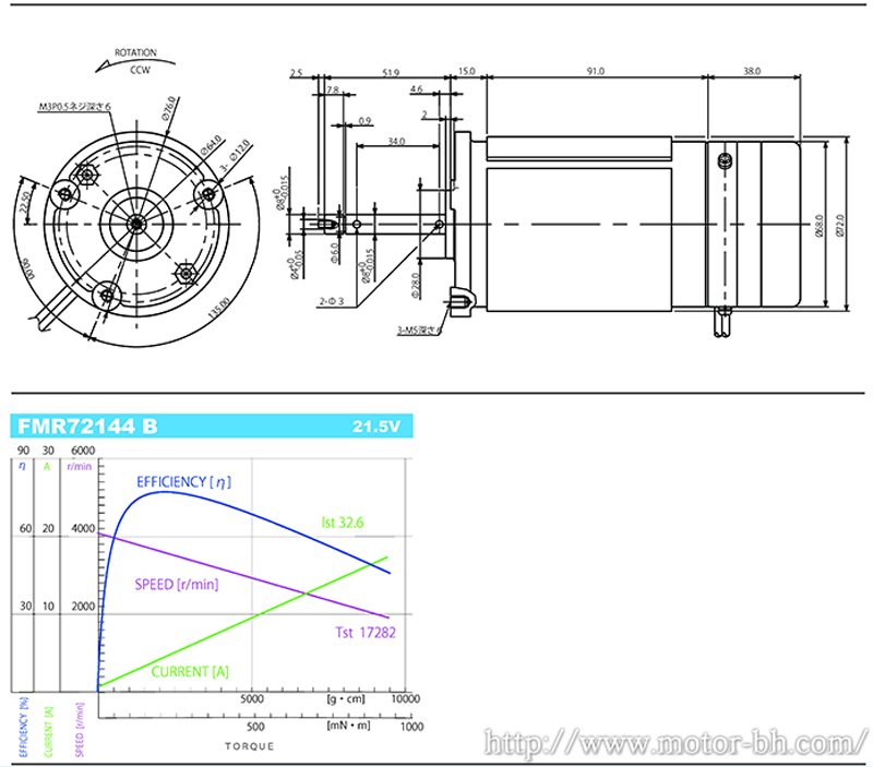
型號Modle |
驅(qū)動電壓Diver Voltage (DC V) |
NO LOAD(零負載) |
Rated load(額定負載) |
Stall(間隔/停止轉(zhuǎn)動) |
重量 Height(g) |
||||||
|
Speed(轉(zhuǎn)速) |
Current(電流) |
Torque 轉(zhuǎn)矩 |
Speed轉(zhuǎn)速 |
Current(電流) |
Torque 轉(zhuǎn)矩 |
Current (電流) |
|||||
|
r/min |
A |
g-cm |
mN-m |
r/min |
A |
g-cm |
mN-m |
A |
|||
|
BHFMR72144 -01 |
21.5 |
4040 |
0.65 |
1540 |
151 |
3680 |
3.5 |
17282 |
1694 |
32.6 |
|