咨詢熱線
13829170860




13829170860
|
型號 Modle |
驅動電壓 Diver Voltage (DC V) |
NO LOAD(零負載) |
Rated load(額定負載) |
Stall(間隔/停止轉動) |
重量 Height(g) |
||||||
|
Speed(轉速) |
Current(電流) |
Torque 轉矩 |
Speed轉速 |
Current(電流) |
Torque 轉矩 |
Current(電流) |
|||||
|
r/min |
A |
g-cm |
mN-m |
r/min |
A |
g-cm |
mN-m |
A |
|||
|
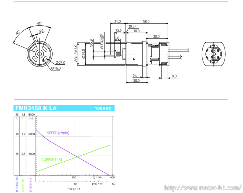
BHFMR3158-01 |
100(AC) |
14100 |
0.11 |
160 |
15.7 |
9400 |
0.35 |
||||